The FL 38-00-F5-XX is a high-current power terminal block engineered for industrial systems requiring robust power handling and installation flexibility.
FL 38-00-F5-XX
XLCF
| Availability: | |
|---|---|
| Quantity: | |
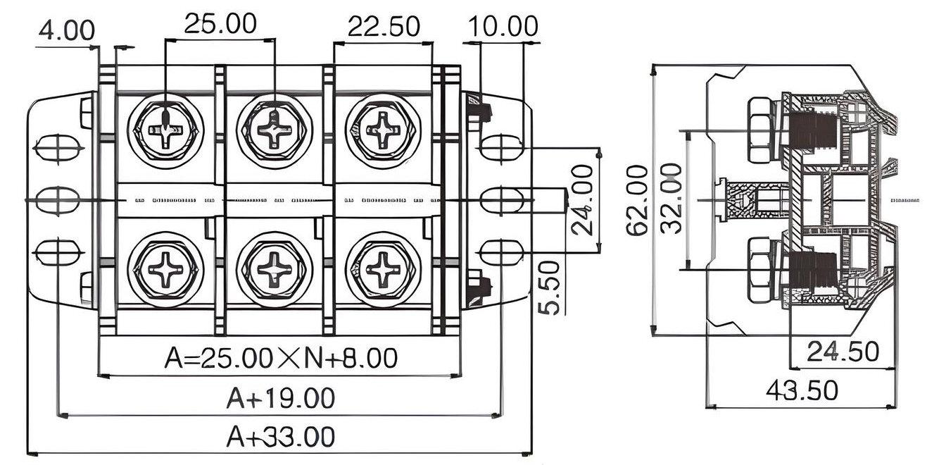
Center Space | 25.00mm |
Wire Range | 38mm²(Max) |
Screw Torque | 40 lbf·in |
Rated Current | 600V,100A |
Surge Voltage | 6000V |
Insulation Body | PC,UL94,V - 0 |
Screw Material | M8,STEEL |
Terminal Body | BRASS |
Temperature | -40℃ - 120℃ |

FL 38-00-F5-XX Product Diagram
Featuring an 8.25mm wide center space (for thick power cables) and a 600V AC/DC, 38A rating, it delivers exceptional performance across a temperature range of -40℃ to 105℃—ideal for heavy-duty applications (e.g., industrial motors, data center PDUs). The "F5" designation denotes flexible length options: L+5.08mm and L+10.16mm (where L = 8.25mm × Poles), allowing adaptation to non-standard enclosures (e.g., retrofitted control cabinets). Constructed with UL94 V-0 flame-retardant PA66 insulation (reinforced with 30% glass fiber) and silver-plated brass terminals, it minimizes resistance and heat generation, while 8000V surge voltage resistance protects against industrial power spikes. With a wire range of 18–6 AWG (for thick power cables) and modular pole design, the FL 38-00-F5-XX balances high performance with installation versatility.
Dual Length Options: Offers L+5.08mm (minor extension) and L+10.16mm (major extension) variants. For example, a 3P configuration has a base length of 24.75mm—choose L+5.08mm (29.83mm total) for tight enclosures or L+10.16mm (34.91mm total) for retrofitted cabinets with extra space.
Precision Tolerances: Length dimensions have a ±0.25mm tolerance, ensuring alignment across multiple terminals in modular systems (e.g., data center PDU banks).
38A/600V Rating: Handles heavy loads like 3-phase motor auxiliary drives (480V AC/30A), industrial heater power lines (240V AC/35A), and battery energy storage (BESS) wiring (48V DC/38A).
Silver-Plated Brass Terminals: Silver plating reduces electrical resistance (0.0008Ω per terminal) and heat generation, even at maximum 38A current. Silver resists oxidation in high-power applications, maintaining performance over time.
8000V Surge Protection: Withstands extreme voltage spikes (e.g., from industrial machinery startups or lightning), protecting expensive equipment like variable frequency drives (VFDs) or solar inverters.
Reinforced PA66 Insulation: 30% glass fiber-reinforced PA66 resists mechanical stress (e.g., wire tension from thick cables) and heat, while UL94 V-0 flame retardancy meets industrial safety standards.
M5 Brass Screws: Uses M5 brass screws for wire clamping, requiring 12–15 lbf·in of torque. Brass offers higher tensile strength than steel, preventing stripping during installation of thick 6 AWG wires.
18–6 AWG Wire Range: Accommodates thin control wires (18 AWG for sensor lines) and thick power wires (6 AWG for industrial motors). The clamping mechanism features a wide opening (12mm) to fit stranded 6 AWG wires, common in high-current systems.
Motor Control Panels: Used in 3-phase motor auxiliary circuits (e.g., fan motors, pump drives) to connect power wires. The 38A rating handles motor startup currents, while flexible length fits into existing control cabinets.
Industrial Heaters & Furnaces: Integrates into heating element power lines for large industrial ovens (240V AC/35A) and heat treat furnaces. Surge protection safeguards against voltage spikes from heater cycling.
Server Rack PDUs: Connects power wires for high-current server groups (e.g., 48V DC server farms). The 8.25mm center space simplifies wiring for thick 6 AWG power cables, while flexible length adapts to PDU enclosure sizes.
UPS Systems: Used in uninterruptible power supply (UPS) wiring for battery banks and load distribution. Silver-plated terminals ensure low resistance, critical for UPS efficiency during power outages.
Solar Inverters: Connects power wires between solar panels and inverters. The 600V rating matches inverter input voltages, while flexible length fits into inverter enclosures of varying sizes.
BESS Units: Used in battery energy storage systems for grid stabilization. The 38A rating handles battery charging/discharging currents, and moisture-resistant design (from reinforced PA66) ensures performance in battery rooms.
"F5" denotes flexible length with 5mm-based extensions: L+5.08mm (≈5mm) and L+10.16mm (≈10mm). This flexibility is designed for retrofitted or custom enclosures where standard terminal lengths do not fit, eliminating the need for custom-machined parts.
Yes. Its 600V rating exceeds 480V AC requirements, and the 38A capacity fits 3-phase auxiliary circuits (e.g., 480V AC/30A motor drives). For 3-phase use, select a 3P configuration (base length: 24.75mm) and use 8 AWG wires (within 18–6 AWG range).
Use 12–15 lbf·in (136–170 N·cm) of torque. Too little torque leads to loose connections (risk of overheating), while too much can crack the reinforced PA66 insulation. Always use a calibrated torque wrench for accuracy.
No. CCA wires have lower conductivity and higher resistance than pure copper, which can cause overheating at 38A. The terminal is designed for pure copper wires (18–6 AWG) to ensure optimal performance and safety.