The FL 150-00-XX is a heavy-duty high-current terminal block engineered for industrial systems requiring robust power handling and durability.
FL 150-00-XX
XLCF
| Availability: | |
|---|---|
| Quantity: | |
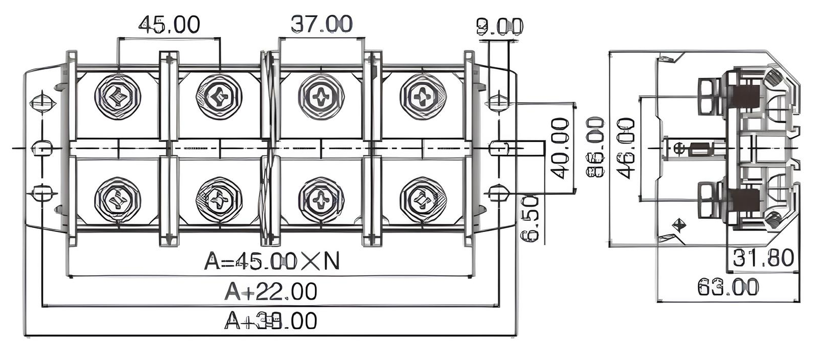
Center Space | 45.00mm |
Wire Range | 150mm²(Max) |
Screw Torque | 60 lbf·in |
Rated Current | 600V, 300A |
Surge Voltage | 6000V |
Insulation Body | PC, UL94, V - 0 |
Screw Material | M10, STEEL |
Terminal Body | BRASS |
Temperature | -40℃ - 120℃ |

PL 150-XX-00 Product Diagram
Featuring a 10.16mm wide center space (for extra-thick power cables) and a 600V AC/DC, 150A rating, it operates across a temperature range of -40℃ to 105℃—ideal for heavy-duty applications like industrial motors, large generators, and battery energy storage (BESS) systems. Constructed with UL94 V-0 flame-retardant PA66 insulation (reinforced with 30% glass fiber) and pure copper terminals (for superior conductivity), it minimizes power loss and heat generation, while its 8000V surge voltage resistance protects against industrial power spikes. With a wire range of 10–2/0 AWG (for thick power cables) and modular pole design (2P to 4P), the PS-150-XX-00 is tailored for critical industrial circuits where high current meets long-term reliability—avoiding downtime from overheating or connection failure.
Reinforced PA66 Insulation: 30% glass fiber-reinforced PA66 thermoplastic resists mechanical stress (e.g., tension from thick cables) and extreme heat, while UL94 V-0 flame retardancy meets strict industrial safety standards. The insulation’s 18mm width provides ample spacing between poles, reducing short-circuit risks.
Pure Copper Terminals: 99.9% pure copper terminals offer 30% higher conductivity than brass (0.0005Ω per terminal), minimizing heat generation at 150A current. Copper also withstands higher temperatures (up to 150℃), aligning with the terminal’s 105℃ operating range.
Stainless Steel Screws: M8 stainless steel screws require 25–30 lbf·in of torque for wire clamping. Stainless steel resists rust and corrosion in industrial environments (e.g., factories with dust or humidity), ensuring long-term tight connections.
150A/600V Rating: Handles heavy loads like 480V AC 3-phase industrial motors (120A), 240V AC large generators (150A), or 48V DC BESS charging circuits (140A). The 600V rating is compatible with medium-voltage industrial power grids.
Surge Protection: Withstands 8000V transient spikes, shielding expensive equipment (e.g., variable frequency drives/VFDs, generator controllers) from power grid faults or lightning-induced surges.
Heat Dissipation: The terminal’s large copper surface area and vented insulation design promote passive heat dissipation, preventing overheating during continuous 150A operation—critical for 24/7 industrial systems.
Wire Compatibility: Accepts 10–2/0 AWG wires, covering thick power cables (2/0 AWG for generators) and moderately thick control wires (10 AWG for motor sensors). The clamping mechanism features a 20mm opening to fit stranded 2/0 AWG wires, common in high-current systems.
Recommended Stripping Length: 15mm for 10–4 AWG wires and 20mm for 2/0 AWG wires—ensuring full contact with copper terminals, minimizing resistance and heat.
Secure Mounting: Fits 6.4mm steel panel holes with M6 stainless steel mounting screws (not included). Anti-slip base ridges prevent shifting during installation or machinery vibration.
Supports 2P to 4P configurations, with total length calculated as L = 10.16mm × Poles. A 3P setup (30.48mm total length) fits into 35mm-wide industrial enclosures, ideal for 3-phase motor control panels.
Industrial Motors & Drives: Connects power wires for 3-phase motors (e.g., conveyor systems, hydraulic presses) and VFDs. Pure copper terminals minimize power loss, while surge protection safeguards against motor startup spikes.
Large Generators: Used in generator-to-panel wiring (e.g., 500kW backup generators for factories). The 150A rating handles full-load generator output, and reinforced insulation resists generator vibration.
Battery Energy Storage (BESS): Integrates into BESS units for grid stabilization or backup power. The 150A rating handles battery charging/discharging cycles, and copper terminals ensure efficient energy transfer.
Solar & Wind Inverters: Connects power wires between large-scale solar arrays (e.g., 1MW farms) or wind turbines and inverters. The 600V rating matches inverter input voltages, while surge protection shields against weather-related power spikes.
Industrial Power Cabinets: Used in switchgear and bus ducts for factory power distribution. The 10.16mm center space simplifies wiring for thick 2/0 AWG cables, and modular poles adapt to multi-circuit panels.
Mining & Construction Equipment: Powers large mining pumps (e.g., 480V AC/120A) and construction cranes (auxiliary circuits). Reinforced insulation resists dust and debris, while stainless steel screws handle harsh job site conditions.
Pure copper offers superior conductivity (58 S/m vs. brass’s 26 S/m), reducing power loss and heat generation in 150A circuits—critical for industrial energy efficiency and equipment longevity. Copper also withstands higher temperatures than brass, preventing terminal degradation during continuous high-current operation.
Yes. Its 600V rating exceeds 480V AC requirements, and the 150A capacity fits most 3-phase industrial motors (typically 100–120A at full load). For 3-phase use, select a 3P configuration (30.48mm total length) and use 4 AWG copper wires (within 10–2/0 AWG range).
Use 25–30 lbf·in (285–341 N·cm) of torque. Too little torque causes loose connections (risk of arcing and overheating); too much can crack the reinforced PA66 insulation. Always use a calibrated heavy-duty torque wrench (capable of 35 lbf·in).