The PL-1.5-XX-00 is a low-current terminal block optimized for precision signal and sensor circuits, where minimal electromagnetic interference (EMI) and stable connectivity are critical.
PL 1.5-XX-00
XLCF
| Availability: | |
|---|---|
| Quantity: | |
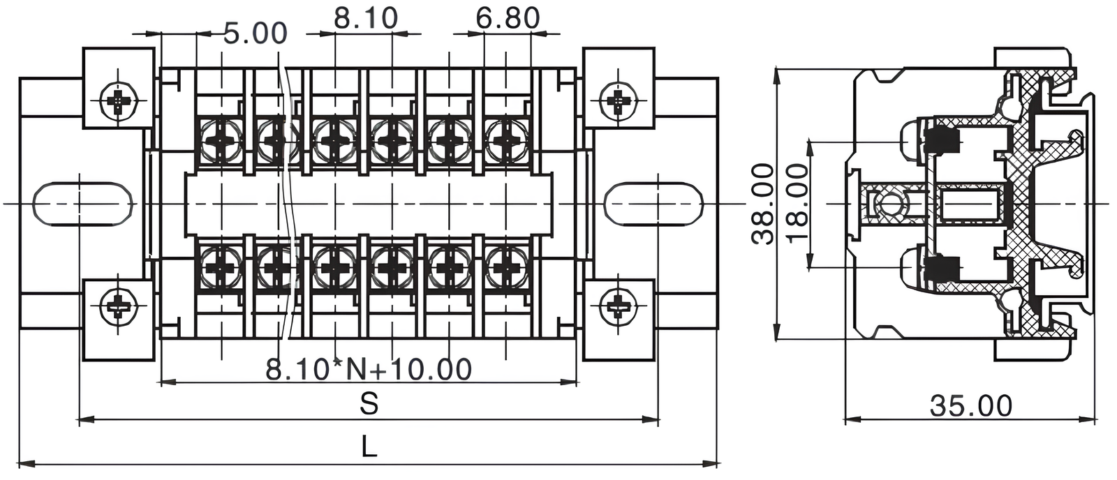
Center Space | 8.10mm |
Wire Range | 1.5mm²(Max) |
Screw Torque | 7 lbf·in |
Rated Current | 600V,10A |
Surge Voltage | 6000V |
Insulation Body | PC,UL94,V - 0 |
Screw Material | M3,STEEL |
Terminal Body | BRASS |
Temperature | -40℃~120℃ |

PL 1.5-XX-00 Product Diagram
Featuring a 5.08mm center space (compatible with small-scale PCBs) and a 300V AC/DC, 1.5A rating, it operates across a temperature range of -40℃ to 105℃—ideal for sensitive applications like IoT sensors, laboratory instruments, and medical devices (low-power modules). Constructed with UL94 V-0 flame-retardant PA66 insulation (low-profile 5.8mm height) and high-conductivity brass terminals, it minimizes signal loss, while its 2500V surge voltage resistance protects delicate electronics from minor power spikes. With a wire range of 32–20 AWG (for ultra-thin sensor wires) and modular pole design (2P to 6P), the PS-1.5-XX-00 is tailored for systems where low power meets high precision—avoiding overspecification that could introduce EMI or waste space.
Low-Profile PA66 Insulation: 5.8mm-tall PA66 thermoplastic with UL94 V-0 flame retardancy fits into compact enclosures (e.g., IoT sensor casings, medical device modules). The material’s smooth surface reduces dust accumulation, critical for cleanroom environments (e.g., laboratory settings).
High-Conductivity Brass Terminals: Polished brass terminals ensure ultra-low contact resistance (<0.001Ω per terminal), minimizing signal distortion for millivolt-level sensor data (e.g., temperature probes, pressure sensors). Unlike plated alternatives, raw brass maintains consistent conductivity over time.
Titanium-Coated Screws: M2 titanium-coated steel screws require just 1.5 lbf·in of torque for wire clamping. Titanium coating resists corrosion in humid environments (e.g., laboratory incubators) and avoids damaging ultra-thin 32 AWG wires.
1.5A/300V Rating: Designed for low-power circuits like 5V DC sensor power lines (0.5A), 12V DC signal transmitters (0.3A), or 24V DC medical device modules (1A). The low current rating inherently reduces EMI, protecting sensitive signal transmission.
EMI Shielding: The terminal’s compact design and brass terminals minimize EMI leakage, making it suitable for radio frequency (RF) sensor circuits (e.g., Bluetooth-enabled environmental monitors) where signal integrity is paramount.
Surge Protection: Withstands 2500V transient spikes, shielding devices from minor power fluctuations (e.g., from laboratory power supplies) without adding bulky protection components.
Wire Compatibility: Accepts 32–20 AWG wires, covering ultra-thin thermocouple wires (32 AWG) and slightly thicker signal wires (20 AWG for IoT data lines). The clamping mechanism features a narrow 1.2mm opening to securely hold thin wires, preventing slippage.
Recommended Stripping Length: 6mm for 32–26 AWG wires and 8mm for 24–20 AWG wires—ensuring full contact without exposed conductors that could cause short circuits or signal interference.
PCB Compatibility: The 5.08mm center space aligns with standard sensor PCB hole patterns (common in IoT modules), simplifying mass production of precision devices.
Supports 2P to 6P configurations, with total length calculated as L = 5.08mm × Poles. A 4P setup (20.32mm total length) fits into 22mm-wide sensor enclosures, ideal for multi-sensor arrays (e.g., environmental monitoring devices).
Environmental Sensors: Connects power and signal wires for temperature, humidity, and air quality sensors (e.g., smart city air monitors). Low EMI ensures accurate data transmission to IoT hubs, while the low-profile design fits into small sensor casings.
Smart Agriculture Sensors: Used in soil moisture probes, light sensors, and crop health monitors. The -40℃ to 105℃ range handles outdoor farm conditions, and brass terminals resist corrosion from soil moisture.
Analytical Instruments: Integrates into pH meters, spectrophotometers, and chromatography systems. Low contact resistance ensures precise measurements (e.g., millivolt-level pH readings), while UL94 V-0 insulation meets laboratory safety standards.
Low-Power Medical Devices: Used in wearable health monitors (e.g., heart rate trackers) and diagnostic device modules (e.g., glucose meter sensors). The low current rating avoids interfering with sensitive medical signals, and titanium-coated screws prevent skin irritation in wearable applications.
Machine Condition Sensors: Connects vibration, pressure, and temperature sensors in manufacturing machinery (e.g., CNC mills). Low EMI ensures early detection of machine faults, while the compact design fits into tight sensor mounting locations.
Robotics Sensors: Powers robotic arm position sensors and vision system cameras (low-power models). The modular pole design adapts to multi-sensor robotic setups, and surge protection safeguards against minor power spikes from robot drives.
The 1.5A rating is intentional: precision sensor and signal circuits rarely exceed 1A, and a lower rating minimizes EMI (electromagnetic interference) that could distort sensitive data (e.g., millivolt-level sensor readings). Higher current ratings (e.g., 5A) would generate more EMI, compromising signal integrity.
Yes. It accepts 32 AWG thermocouple wires (common in type K/J thermocouples) and polished brass terminals minimize signal loss—critical for accurate temperature measurements (e.g., in laboratory freezers or industrial ovens). Use a 6mm stripping length for thermocouple wires.
Titanium coating offers two key benefits: 1) Corrosion resistance in humid environments (e.g., laboratory incubators), avoiding rust that could contaminate samples; 2) Gentle clamping force (1.5 lbf·in max torque) that prevents damage to ultra-thin 32 AWG wires, unlike standard steel screws.
Yes. The low-profile PA66 insulation and brass terminals minimize EMI leakage, making it suitable for RF-enabled sensors (e.g., Bluetooth or LoRaWAN environmental monitors). For high RF sensitivity (e.g., GPS-based sensors), pair it with a shielded enclosure to further reduce interference.